1
/
von
6
Zehnder
Kompaktboy 1,1 W 230 V
Kompaktboy 1,1 W 230 V
Gewicht: 55.0 kgNormaler Preis
CHF 4,900.00
Normaler Preis
Verkaufspreis
CHF 4,900.00
Grundpreis
/
pro
Inkl. Steuern.
Verfügbarkeit für Abholungen konnte nicht geladen werden
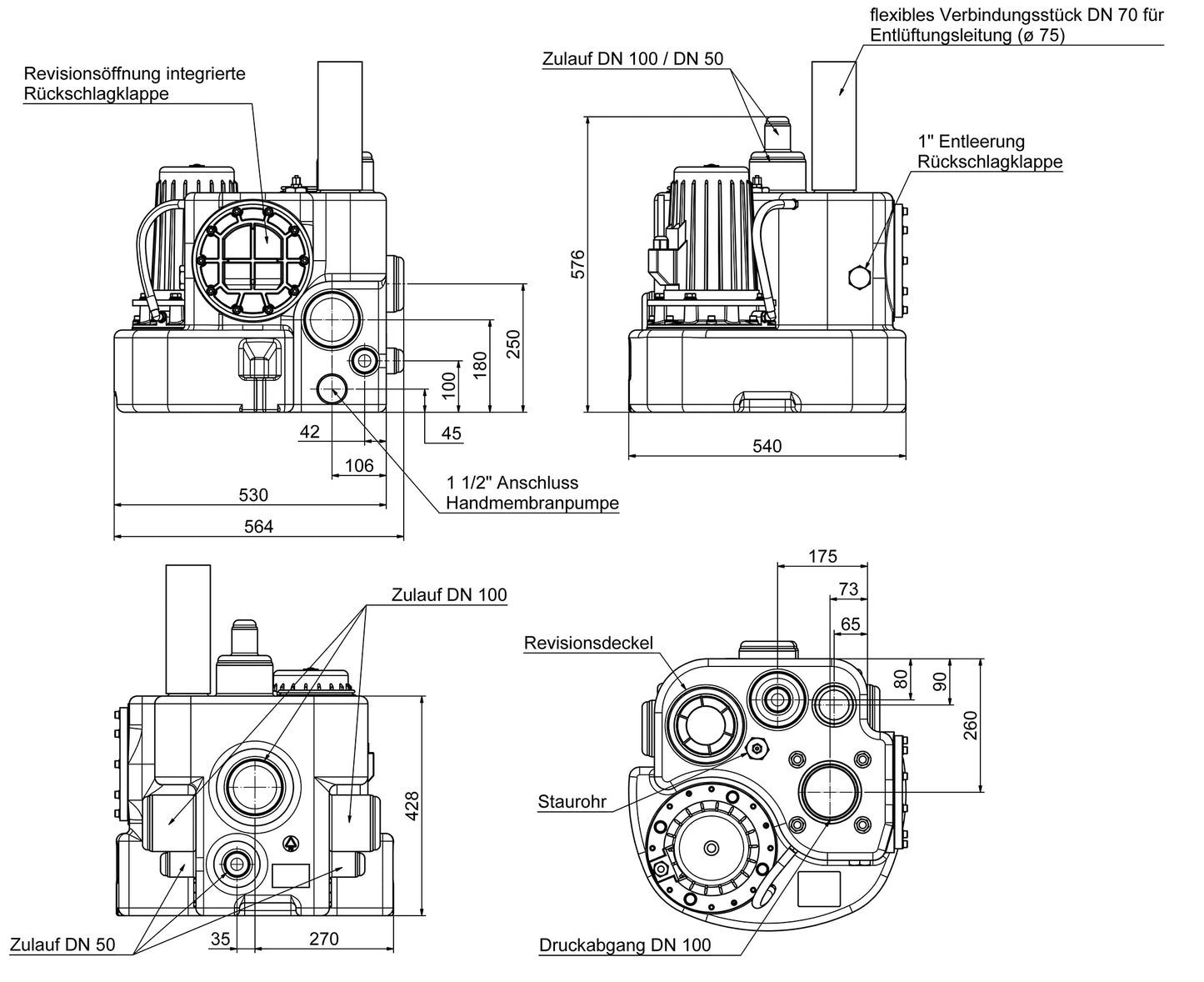
Abwasser-Hebeanlage Kompaktboy 1.1 W
Ausführung:
- Sammelbehälter aus Polyethylen mit 55 l Inhalt (19 l – 45 l Schaltvolumen, je nach Zulauftiefe)
- Freistromradpumpe mit hohem Wirkungsgrad und geringem Laufgeräusch
- Abdichtung durch Gleitringdichtung und Wellendichtring mit zwischenliegender Ölkammer
- Zuläufe für HT-Rohr 3 x DN 100, 3 x DN 50 und 1 x DN 50/100
- zusätzliche Anschlüsse 1 ½“ für Handmembranpumpe
- Entlüftung DN 70 (Ø 75 mm)
- max. Förderguttemperatur 55°C
- Betriebsart S3 – 25%
- Schutzgrad IP 68
Einsatzgebiete:
- Förderung von häuslichem Abwasser aus einer Kellerwohnung oder einem Einfamilienhaus
- zur Überflurinstallation in frostgeschützten Räumen unterhalb der Rückstauebene
Lieferumfang:
- fertig montierte Anlage mit 3,5 m Anschlusskabel zum Motor und 3,5 m Pneumatikschlauch zur Steuerung
- mit intergrierter Rückschlagklappe DN 100
- Übergangsflanschstück DN 100 für Druckleitung
- flexible Verbindung mit Spannschellen für Druck- und Entlüftungsleitung
- inkl. ZPS1: komfortable, pneumatische Niveausteuerung mit Mikrokontroller, LCD-Klartextanzeige für Füllstand, Wartung, Betriebsstunden und Störmeldungen sowie netzabhängige Alarmanlage im Schaltkasten zur Innenraummontage
Technische Daten:
Spannungsversorgung: | 230 V |
Frequenz: | 50 Hz |
Leistung: | 1.7 kW |
Nennstrom: | 7.6 A |
Drehzahl: | 1400 UpM |
C | 50 µF |
max. Temperatur: | 55 °C |
max. Fördermenge: | 41.0 m³/h |
Förderhöhe bis zu: | 8.1 m |
freier Durchgang: | 50 mm |
Masse (BxHxL) | 580 mm x 600 mm x 790 mm |
Ausstattung: | mit pneumatischer Pumpensteuerung |
Share





