1
/
von
3
Zehnder
Kompaktboy SE 71.3 D 400 V
Kompaktboy SE 71.3 D 400 V
Gewicht: 80.0 kgNormaler Preis
CHF 8,480.00
Normaler Preis
Verkaufspreis
CHF 8,480.00
Grundpreis
/
pro
Inkl. Steuern.
Verfügbarkeit für Abholungen konnte nicht geladen werden
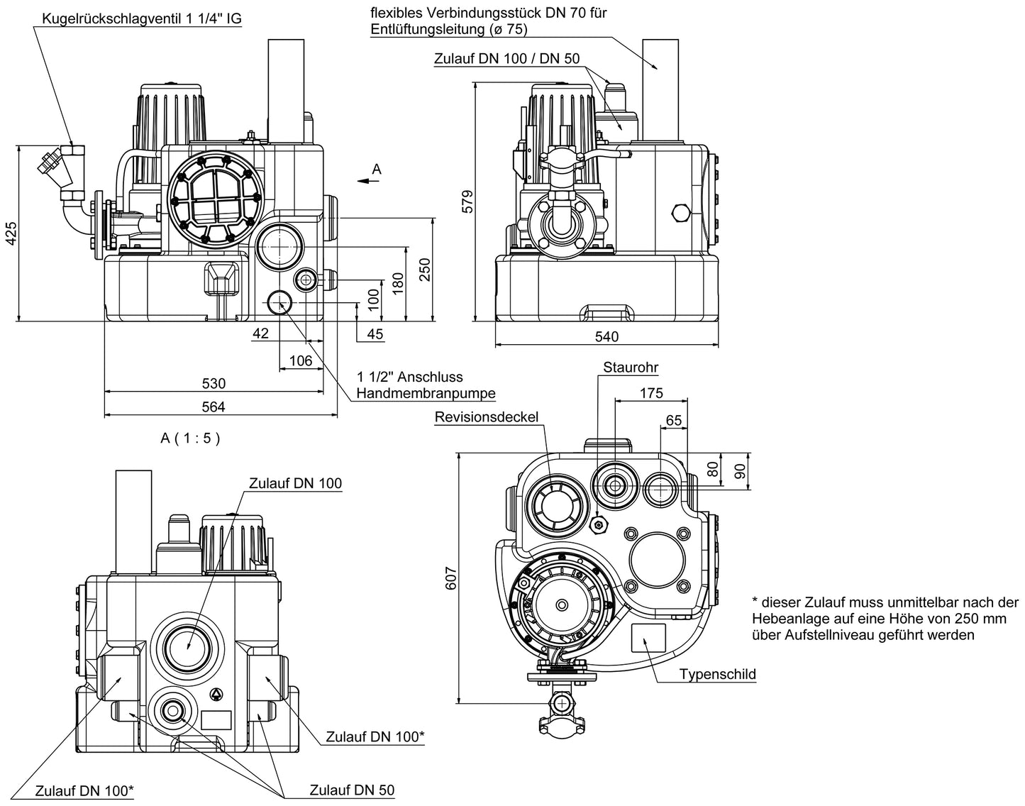
Abwasser-Hebeanlage Kompaktboy SE 71.3 D 400 V
Ausführung:
- Sammelbehälter aus Polyethylen mit 55 l Gesamtinhalt
- Hebeanlage mit aufgebauter Schneidradpumpe mit robustem, einstellbarem Schneidwerk aus korrosionsfester Sonderlegierung
- Abdichtung durch 2 Gleitringdichtungen mit dazwischenliegender Ölkammer
- Druckabgangsflansch DN 50 mit angeflanschtem Pumpenanschlussbogen und Kugelrückschlagventil 1 1/4" Innengewinde
- Zulauf für HT-Rohr 3 x DN 100 (seitlich) und 1 x DN 50/100 (oben)
- zusätzliche Anschlüsse 1 ½“ für Handmembranpumpe
- Entlüftung DN 75 (Ø 75 mm)
- Betriebsart S3 – 25%
- Förderguttemperatur max. 55°C
- Schutzart IP 68
Einsatzgebiete:
- Entsorgung von Abwasser aus Einfamilienhäusern bei größeren Förderhöhen oder langen Druckleitungen
- zur Überflurinstallation in frostgeschützten Räumen unterhalb der Rückstauebene
- Einbringung in Schächte mit einer Schachtabdeckung > Ø 590 mm möglich
Lieferumfang:
- fertig montierte Anlage mit 3,5 m Anschlusskabel zum Motor und 3,5 m Pneumatikschlauch zur Steuerung
- Pumpenanschlussbogen DN 50, 90°
- Kugelrückschlagventil 1 1/4" Innengewinde
- flexible Verbindung mit Spannschellen für Entlüftungsleitung
- inkl. ZPS1: komfortable, pneumatische Niveausteuerung mit Mikrokontroller, LCD-Klartextanzeige für Füllstand, Wartung, Betriebsstunden und Störmeldungen sowie netzabhängige Alarmanlage im Schaltkasten zur Innenraummontage
Technische Daten:
Spannungsversorgung: | 400 V |
Frequenz: | 50 Hz |
Leistung: | 3.9 kW |
Nennstrom: | 6.5 A |
Drehzahl: | 2800 UpM |
max. Temperatur: | 55 °C |
max. Fördermenge: | 17.0 m³/h |
Förderhöhe bis zu: | 35.0 m |
Masse (BxHxL) | 580 mm x 600 mm x 790 mm |
Share


