1
/
von
3
Zehnder
CPS 20-6M SM GG 230V
CPS 20-6M SM GG 230V
Gewicht: 18.0 kgNormaler Preis
CHF 1,110.00
Normaler Preis
Verkaufspreis
CHF 1,110.00
Grundpreis
/
pro
Inkl. Steuern.
Verfügbarkeit für Abholungen konnte nicht geladen werden
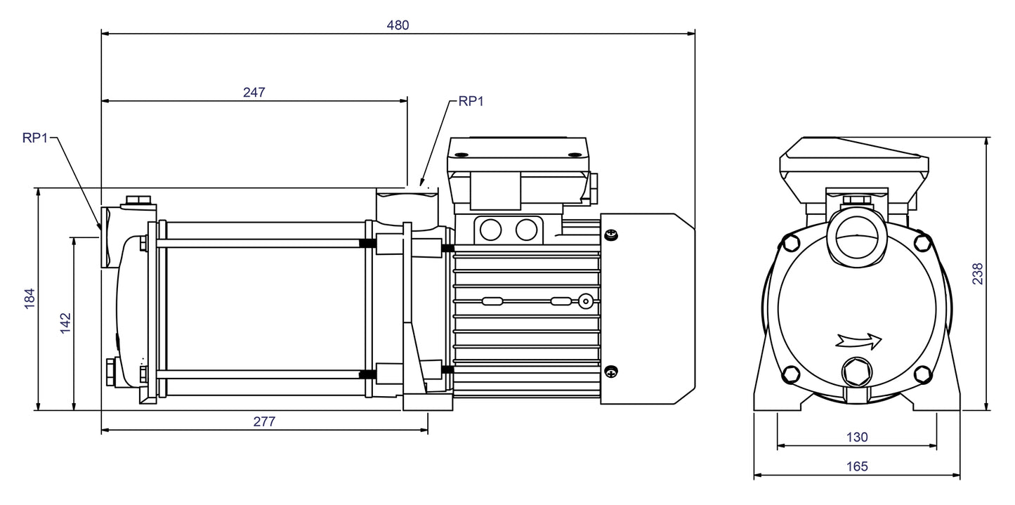
mehrstufige Kreiselpumpe CPS 20-6M SM GG 230V für den Garten
Ausführung:
- Selbstansaugende, wartungsfreie, mehrstufige, horizontale Kreiselpumpe
- Hoher Wirkungsgrad
- Saugstutzen und Druckstutzen, Innengewinde (1“ - 1¼“)
- Saug- und Druckgehäuse aus Grauguss
- Pumpengehäuse und Laufräder aus Edelstahl 1.4301
- Welle aus Edelstahl 1.4401
- Gleitringdichtung aus Kohle / Keramik
- Leiträder aus glasfaserverstärktem-Noryl®
- Motorgehäuse aus Leichtmetall L-2521
- O-Ringe aus NBR
- fertig verkabelt, inkl. 1,5 Meter Netzkabel H07 RNF mit Stecker
- mit Ein- / Aus-Schalter
- Hauswasserversorgung / Versorgung von Hauswasser
- Regenwassernutzung / Nutzung von Regenwasser
- Druckerhöhung / Erhöhung des Drucks
- Beregnung
- für klares Wasser ohne aggressive und abrasive Bestandteile
Technische Daten:
Spannungsversorgung: | 230 V |
Frequenz: | 50 Hz |
Leistung: | 1.65 kW |
Nennstrom: | 7.3 A |
Drehzahl: | 2850 UpM |
max. Temperatur: | 40 °C |
max. Fördermenge: | 5.4 m³/h |
Förderhöhe bis zu: | 64.0 m |
Ausstattung: | Ein- / Ausschalter |
Share


